產品分類
- 電工電子電氣實訓設備
- 電力電子電機實訓裝置
- 過程控制實驗裝置
- 工業機器人智能制造
- 維修電工實訓設備
- PLC自動化實訓設備
- 數控機床實訓考核裝置
- 數控機床機械加工設備
- 機床電氣實訓裝置
- 機電一體化實訓設備
- 機械示教陳列柜
- 機械專業實驗設備
- 傳感器檢測實驗室設備
- 工業互聯人工智能實訓設備
- 特種作業操作實訓考核設備
- 物聯網實驗實訓設備
- 消防、給排水實訓設備
- 網絡布線實訓室設備
- 電梯安裝維修實訓考核設備
- 熱工暖通家電制冷實訓設備
- 樓宇智能化實訓設備
- 環境工程實驗裝置
- 流體力學實驗裝置
- 化工專業實驗實訓設備
- 新能源實驗實訓設備
- 電力供配電實訓設備
- 煤礦礦山實驗實訓設備
- 液壓氣動實驗室設備
- 教學仿真軟件
- 軌道交通實驗實訓設備
- 船舶實訓考核裝置
- 駕駛模擬訓練設備
- 新能源汽車實訓設備
- 汽車發動機底盤實訓臺
- 汽車電器電子實訓臺
- 特種車工程機械實訓設備
- 智能網聯汽車實訓設備
- 醫學教學模型
- 中小學實驗室設備
- 實驗箱.實驗儀
- 光電子通信實驗裝置
- 儀器設備.教學掛圖
更多新產品
- LG-DQ04型 電氣自動化技術考核實訓裝置
- LGKL-735D型 通用電工電子實訓設備(電工電子電氣數
- LG-BZH015型 光纜交接箱工程布線光電展示實訓裝置
- LG-BZH014型 數據中心工程布線光電展示實訓裝置
- LG-BZH013型 光纖熔接實訓設備
- LG-BZH012型 全光網綜合布線實訓平臺
- LG-BZH011型 網絡綜合布線故障模擬與檢測實訓裝置
- LG-BZH010型 網絡綜合布線故障模擬與檢測實訓裝置
- LG-BZH09型 光纜配線端接與測試實訓裝置
- LG-BZH08型 光纜配線端接與測試實訓裝置
- LG-BZH07型 銅纜配線端接與測試實訓裝置
- LG-BZH06型 銅纜配線端接與測試實訓裝置
- LG-DST02型 智能制造單元理實一體化平臺
- LGP-LC01型 PLC實驗臺
- LGY-LY020型 運動控制實訓裝置
更多熱點產品
- 汽車透明整車模型、運輸車輛模型
- CLG-104型《電機與變壓器》示教陳列柜(CD解說)
- CLG-109《模具》示教陳列柜(CD解說)
- CLG-107型 機械綜合陳列柜
- CLG-102型 《機械零件》示教陳列柜
- LG-DCC型 機械振打袋式除塵實驗裝置
- LG-MFL01型 超濾微濾膜分離實驗裝置
- LG-NKS型 催化劑顆粒內擴散實驗裝置
- LG-CLDF型 多釜串聯實驗裝置
- LG-YY18C型 氣動與PLC實訓裝置(T型鋁槽單面)
- LG-YY18B型 透明液壓傳動與PLC實訓裝置(T型鋁槽單面
- LG-YYCS01型 液壓傳動與控制綜合測試實驗臺
- LG-DY01B型 電液比例綜合實驗臺
- LG-YYZN01型 智能型液壓綜合實驗臺
- LG-DLK01型 電力系統綜合自動化實驗平臺
LG-SX610型 六軸工業機器人
品牌:理工偉業 咨詢電話:010-82827827 82827835
LG-SX610型 工業機器人針對玻璃機、平磨機、雕銑機及其他機床等推出前端高防護版本,滿足任意方向噴水,或浸水,小臂前端達到IP67防護等級全新一代LG-SX610工業機器人,在SX6系列機器人的基礎上,進一步優化升級,速度更快,負載能力更強,防護等級更高。
一、產品特點及優勢
1、安裝占地面積小:機器人底座非常小,占地面積小于0.06m²。
2、高精度,高靈活性:平均重復精度可達+0.03mm,*大0.05mm;不僅具備通用6軸功能,當使用通用機器人用法功能無足夠空間時,還可以編程內旋轉模式另辟蹊徑實現避讓。
3、重量輕,任意方向安裝:本體重量61kg左右,可任何方向安裝。
4、臂長更大、負載能力更強:通過輕量化的設計,使用高速電機、高精度的減速器,使機器人臂長增加至1310mm,*大負載10kg。
5、防護等級更高:經過結構優化,進行密封設計,經過測試,手臂前端防護等級達到了IP67。
二、技術參數
三、工業機器人參數圖

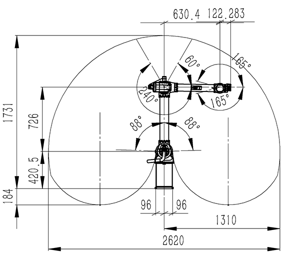
運動范圍圖


底座安裝尺寸圖

末端輸出法蘭尺寸圖
關鍵詞: 數控車床 實訓設備 實訓裝置 教學儀器 實驗設備 教學設備 實訓臺 考核裝置 技能考核 電工電子 實驗裝置 數控技術 實訓考核 技能實訓 數控系統 電氣控制 自控實訓 實驗系統 數控軟件 數控實訓 電氣技術 數控設備 數控銑床 高教設備 教學車床 數控機床 職教設備 PLC控制 PLC技術 PLC實驗

1、安裝占地面積小:機器人底座非常小,占地面積小于0.06m²。
2、高精度,高靈活性:平均重復精度可達+0.03mm,*大0.05mm;不僅具備通用6軸功能,當使用通用機器人用法功能無足夠空間時,還可以編程內旋轉模式另辟蹊徑實現避讓。
3、重量輕,任意方向安裝:本體重量61kg左右,可任何方向安裝。
4、臂長更大、負載能力更強:通過輕量化的設計,使用高速電機、高精度的減速器,使機器人臂長增加至1310mm,*大負載10kg。
5、防護等級更高:經過結構優化,進行密封設計,經過測試,手臂前端防護等級達到了IP67。
二、技術參數
| 工業機器人 | LG-SX610 | |
| 自由度 | 6 | |
| 負載 | 10Kg | |
| *大工作半徑 | 1310mm | |
| 重復定位精度 | ±0.05mm | |
| 運動范圍 | J1 | ±155° |
| J2 | -178°/-2° | |
| J3 | +120 /+420° | |
| J4 | ±190° | |
| J5 | ±150° | |
| J6 | ±360° | |
| 額定速度 | J1 | 180°/s,3.14 rad/s |
| J2 | 250°/s,4.36 rad/s | |
| J3 | 180°/s,3.14 rad/s | |
| J4 | 235°/s,4.11 rad/s | |
| J5 | 180°/s,3.14 rad/s | |
| J6 | 360°/s,6.28 rad/s | |
| *高速度 | J1 | 240°/s,4.19 rad/s |
| J2 | 250°/s,4.36 rad/s | |
| J3 | 300°/s,5.24 rad/s | |
| J4 | 392°/s,6.84 rad/s | |
| J5 | 300°/s,5.24 rad/s | |
| J6 | 600°/s,10.46 rad/s | |
| 容許慣性矩 | J6 | 0.15kg㎡ |
| J5 | 0.42kg㎡ | |
| J4 | 0.42kg㎡ | |
| 容許扭矩 | J6 | 12.7Nm |
| J5 | 20.4Nm | |
| J4 | 20.4Nm | |
| 適用環境 | 溫度 | 0~45° |
| 濕度 | 20%~80% | |
| 其他 | 避免與易燃易爆或腐蝕性氣體、液體接觸,遠離電子噪聲源(等離子) | |
| 示教器線纜長度 | 8米 | |
| 本體-柜體連接線長度 | 3米 | |
| I/O參數 | 數字量:32輸入,31輸出 | |
| 電源容量 | 3kVA | |
| 額定功率 | 2.4kW | |
| 額定電壓 | 單相AC220V | |
| 額定電流 | 13A | |
| 本體防護等級 | IP54,手臂前端IP67 | |
| 安裝方式 | 地面安裝、倒掛安裝、側掛安裝、任意方向安裝 | |
| 本體重量 | 61kg | |
| 控制柜防護等級 | IP53 | |
| 控制柜尺寸 | 500(寬)×270(厚)×530(高)-可立可臥 | |
| 控制柜重量 | 38KG | |

運動范圍圖


底座安裝尺寸圖

末端輸出法蘭尺寸圖
四、應用領域

工控盒鉚釘自動送料—壓鉚—鐳雕—組裝自動化

數控機床上下料


沖壓生產線





