產品分類
- 電工電子電氣實訓設備
- 電力電子電機實訓裝置
- 過程控制實驗裝置
- 工業機器人智能制造
- 維修電工實訓設備
- PLC自動化實訓設備
- 數控機床實訓考核裝置
- 數控機床機械加工設備
- 機床電氣實訓裝置
- 機電一體化實訓設備
- 機械示教陳列柜
- 機械專業實驗設備
- 傳感器檢測實驗室設備
- 工業互聯人工智能實訓設備
- 特種作業操作實訓考核設備
- 物聯網實驗實訓設備
- 消防、給排水實訓設備
- 網絡布線實訓室設備
- 電梯安裝維修實訓考核設備
- 熱工暖通家電制冷實訓設備
- 樓宇智能化實訓設備
- 環境工程實驗裝置
- 流體力學實驗裝置
- 化工專業實驗實訓設備
- 新能源實驗實訓設備
- 電力供配電實訓設備
- 煤礦礦山實驗實訓設備
- 液壓氣動實驗室設備
- 教學仿真軟件
- 軌道交通實驗實訓設備
- 船舶實訓考核裝置
- 駕駛模擬訓練設備
- 新能源汽車實訓設備
- 汽車發動機底盤實訓臺
- 汽車電器電子實訓臺
- 特種車工程機械實訓設備
- 智能網聯汽車實訓設備
- 醫學教學模型
- 中小學實驗室設備
- 實驗箱.實驗儀
- 光電子通信實驗裝置
- 儀器設備.教學掛圖
更多新產品
- LG-TSV05型智能網聯自動駕駛微縮車
- LG-ITP02型智能網聯汽車視覺識別實訓臺
- LG-IH05型智能網聯汽車超聲波雷達便攜式實驗箱
- LG-ITP03型智能網聯汽車激光雷達實訓臺
- LG-IH04型智能網聯汽車組合導航系統便攜式實驗箱
- LG-IH01型智能網聯汽車毫米波雷達便攜式實驗箱
- LG-IKP013型智能網聯汽車決策規劃仿真實訓臺
- LG-TSV07型智能網聯乘用車高級開發教學平臺
- LG-TSV10型智能網聯車路協同智慧燈桿
- LG-TSV08型智能網聯微縮車平行駕駛系統
- LG-TSV11型智能網聯車路協同沙盤及云控平臺
- LG-IZC02型智能網聯自動駕駛小巴(8座 荷載15人)
- LG-JXY014型機械傳動與液壓控制實訓平臺
- LG-JXY012型工業機械傳動與液壓調試平臺
- LGY-JD011型機電液一體化智能綜合實訓平臺(液壓
更多熱點產品
- LG-DLK01型 電力系統綜合自動化實驗平臺
- LG系列 智能建筑實驗實訓裝置
- LGJS-3型 模塊式柔性環形自動生產線及工業機器人
- LGJX-82E型 立體倉庫實訓裝置
- LGJS-1型 現代物流倉儲自動化實驗系統
- LGJS-2型 模塊式柔性自動環形生產線實驗系統(工
- LG-2400型 數控模組化生產流水線綜合系統(CD制程
- LGJD-01型 光機電一體化控制實訓裝置
- LGJD-02型 光機電一體化控制實訓裝置
- LG-235A 光機電一體化高速分揀實訓系統
- LGK-III型 數控車/銑床綜合考核裝置(二合一/生產型
- LG-AT2型 自控原理與計算機控制實驗儀
- LG-NLY01型 樓宇智能化工程實訓系統
- LGZK-201G 自動化綜合實訓裝置( PLC、直流調速、觸
- LGPD-205B型 PLC、單片機及微機原理綜合實訓裝置
LG-ARA431型 工業機器人
品牌:理工偉業 咨詢電話:010-82827827 82827835
LG-ARA431型 工業機器人體積小、重量輕、精度高、多款負載檔位,運動更靈活,適合桌面拾取安裝應用而開發的工業機器人,可廣泛用于電子產品工業、藥品工業和食品工業等領域。依托公司多年伺服控制的技術積累,使用自主研發的控制技術,巧妙地運用伺服電機的性能,在高轉矩工況下可帶3Kg負載,具有高速度、高性能、高精度、體積小、運動靈活和低價格的優勢。其串聯的第一軸和第二軸類似于人的手臂可快速在平面內進行定位和定向,可以伸進有限空間中作業后收回。
一、優勢特點
1.高性價比:低成本,花錢買回去的屬于通用工業機器人,可重復編程用于其他搬運、裝配作業,且可一年回收成本
2.長壽命:采用高精密高剛度諧波減速機,壽命可長達數十年
3.高速性能:采用低速比高精度減速機,擁有超快的循環時間,*快循環時間可達0.35S
4. 高集成度:本體內置信號線與氣管即插即用,無需繁瑣接線,內部線纜無滑動,可長久保持無故障率。
5.高精度:除了采用高精度諧波減速機外,采用了進口高精密滾珠絲桿滾珠花鍵,末端重復定位精度達±0.01MM
6.高平滑性:采用先進控制系統及伺服驅動系統,實現高速而平滑的動作性能,幾乎做到過渡點零時間停頓。
7. 高剛性:其末端線性移動軸的特性,讓其在Z方向具有良好的剛度,此特性特別適合于裝配工作
8.負載檔位實用性:根據實際末端負載,客戶可調整負載檔位,簡單操作提高機器人運行節拍
二、技術參數
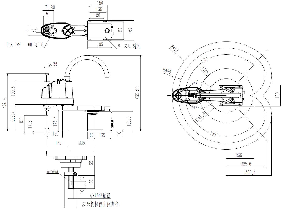
三、工業機器人參數圖

四、工業應用

1.高性價比:低成本,花錢買回去的屬于通用工業機器人,可重復編程用于其他搬運、裝配作業,且可一年回收成本
2.長壽命:采用高精密高剛度諧波減速機,壽命可長達數十年
3.高速性能:采用低速比高精度減速機,擁有超快的循環時間,*快循環時間可達0.35S
4. 高集成度:本體內置信號線與氣管即插即用,無需繁瑣接線,內部線纜無滑動,可長久保持無故障率。
5.高精度:除了采用高精度諧波減速機外,采用了進口高精密滾珠絲桿滾珠花鍵,末端重復定位精度達±0.01MM
6.高平滑性:采用先進控制系統及伺服驅動系統,實現高速而平滑的動作性能,幾乎做到過渡點零時間停頓。
7. 高剛性:其末端線性移動軸的特性,讓其在Z方向具有良好的剛度,此特性特別適合于裝配工作
8.負載檔位實用性:根據實際末端負載,客戶可調整負載檔位,簡單操作提高機器人運行節拍
二、技術參數
| 工業機器人 | LG-ARA431 | |
| 自由度 | 4 | |
| *大負載/額定負載 | 3kg/1kg | |
| *大工作半徑 | 400mm | |
| 重復定位精度 | ±0.01mm | |
| 運動范圍 | J1 | ±132° |
| J2 | ±141° | |
| J3 | 0-150mm | |
| J4 | ±360° | |
| 額定速度 | J1 | 360°/s,6.28rad/s |
| J2 | 470°/s,8.19rad/s | |
| J3 | 710mm/s | |
| J4 | 1500°/s,26.16rad/s | |
| *高速度 | J1 | 530°/s,9.24rad/s |
| J2 | 700°/s,12.21rad/s | |
| J3 | 1065mm/s | |
| J4 | 2600°/s,43.35rad/s | |
| 容許慣性矩 | J4 | 0.05kg㎡/0.005kg㎡ |
| 容許扭矩 | J4 | 3.29Nm |
| 適用環境 | 溫度 | 0~45° |
| 濕度 | 20%~80% | |
| 其他 | 避免與易燃易爆或腐蝕性氣體、液體接觸,遠離電子噪聲源(等離子) | |
| 示教器線纜長度 | 選配(若需配置,示教器線纜長度為8米) | |
| 本體-柜體連接線長度 | 3米 | |
| I/O參數 | 數字量:32輸入,31輸出(控制柜故障指示燈輸出占用1) | |
| 電源容量 | 0.6kVA | |
| 額定功率 | 0.5kW | |
| 額定電壓 | 單相AC220V | |
| 額定電流 | 2.7A | |
| 防護等級 | IP54 | |
| 安裝方式 | 地面安裝、桌面安裝 | |
| 本體重量 | 17kg | |
| 控制柜防護等級 | IP53 | |
| 控制柜尺寸 | 500(寬)×270(厚)×530(高)-可立可臥 | |
| 控制柜重量 | 38KG | |

四、工業應用

工業機器人貼標

工業機器人生產流水線

工業機器人生產流水線
- 上一篇:LG-CY403型 高防護工業機器人
- 下一篇:LG-ARA462型 工業機器人





