產品分類
- 電工電子電氣實訓設備
- 電力電子電機實訓裝置
- 過程控制實驗裝置
- 工業機器人智能制造
- 維修電工實訓設備
- PLC自動化實訓設備
- 數控機床實訓考核裝置
- 數控機床機械加工設備
- 機床電氣實訓裝置
- 機電一體化實訓設備
- 機械示教陳列柜
- 機械專業實驗設備
- 傳感器檢測實驗室設備
- 工業互聯人工智能實訓設備
- 特種作業操作實訓考核設備
- 物聯網實驗實訓設備
- 消防、給排水實訓設備
- 網絡布線實訓室設備
- 電梯安裝維修實訓考核設備
- 熱工暖通家電制冷實訓設備
- 樓宇智能化實訓設備
- 環境工程實驗裝置
- 流體力學實驗裝置
- 化工專業實驗實訓設備
- 新能源實驗實訓設備
- 電力供配電實訓設備
- 煤礦礦山實驗實訓設備
- 液壓氣動實驗室設備
- 教學仿真軟件
- 軌道交通實驗實訓設備
- 船舶實訓考核裝置
- 駕駛模擬訓練設備
- 新能源汽車實訓設備
- 汽車發動機底盤實訓臺
- 汽車電器電子實訓臺
- 特種車工程機械實訓設備
- 智能網聯汽車實訓設備
- 醫學教學模型
- 中小學實驗室設備
- 實驗箱.實驗儀
- 光電子通信實驗裝置
- 儀器設備.教學掛圖
更多新產品
- LG-TSV05型智能網聯自動駕駛微縮車
- LG-ITP02型智能網聯汽車視覺識別實訓臺
- LG-IH05型智能網聯汽車超聲波雷達便攜式實驗箱
- LG-ITP03型智能網聯汽車激光雷達實訓臺
- LG-IH04型智能網聯汽車組合導航系統便攜式實驗箱
- LG-IH01型智能網聯汽車毫米波雷達便攜式實驗箱
- LG-IKP013型智能網聯汽車決策規劃仿真實訓臺
- LG-TSV07型智能網聯乘用車高級開發教學平臺
- LG-TSV10型智能網聯車路協同智慧燈桿
- LG-TSV08型智能網聯微縮車平行駕駛系統
- LG-TSV11型智能網聯車路協同沙盤及云控平臺
- LG-IZC02型智能網聯自動駕駛小巴(8座 荷載15人)
- LG-JXY014型機械傳動與液壓控制實訓平臺
- LG-JXY012型工業機械傳動與液壓調試平臺
- LGY-JD011型機電液一體化智能綜合實訓平臺(液壓
更多熱點產品
- LG-DLK01型 電力系統綜合自動化實驗平臺
- LG系列 智能建筑實驗實訓裝置
- LGJS-3型 模塊式柔性環形自動生產線及工業機器人
- LGJX-82E型 立體倉庫實訓裝置
- LGJS-1型 現代物流倉儲自動化實驗系統
- LGJS-2型 模塊式柔性自動環形生產線實驗系統(工
- LG-2400型 數控模組化生產流水線綜合系統(CD制程
- LGJD-01型 光機電一體化控制實訓裝置
- LGJD-02型 光機電一體化控制實訓裝置
- LG-235A 光機電一體化高速分揀實訓系統
- LGK-III型 數控車/銑床綜合考核裝置(二合一/生產型
- LG-AT2型 自控原理與計算機控制實驗儀
- LG-NLY01型 樓宇智能化工程實訓系統
- LGZK-201G 自動化綜合實訓裝置( PLC、直流調速、觸
- LGPD-205B型 PLC、單片機及微機原理綜合實訓裝置
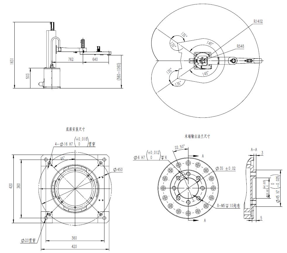
LG-CY415型 四軸工業機器人
品牌:理工偉業 咨詢電話:010-82827827 82827835
LG-CY415型 四軸工業機器人是新一代高剛性四軸機器人,在同類產品中實現低成本、高性能是沖壓搬運行業的不二選擇。其負載高達15kg,運動范圍1402mm,配置新一代示教器其簡潔模塊化的操作模式,使操作簡單方便。
一、產品特點
1、 LG-CY415型 四軸工業機器人專為沖壓上下料行業量身定造
2、高剛度、高速度、高精度、高負載、高穩定性
3、壽命長達十年,投資回報率高
4、集成度高,內置信號接口與氣管接口
5、平滑性強,過渡點停頓時間接近零
二、技術參數
三、工業機器人參數圖

四、工業應用


1、 LG-CY415型 四軸工業機器人專為沖壓上下料行業量身定造
2、高剛度、高速度、高精度、高負載、高穩定性
3、壽命長達十年,投資回報率高
4、集成度高,內置信號接口與氣管接口
5、平滑性強,過渡點停頓時間接近零
二、技術參數
| 工業機器人 | LG-CY415 | |
| 自由度 | 4 | |
| 額定負載 | 15Kg | |
| *大工作半徑 | 1402mm | |
| 重復定位精度 | ±0.05mm | |
| 運動范圍 | J1 | ±145° |
| J2 | ±135° | |
| J3 | ±250mm | |
| J4 | ±180° | |
| 額定速度 | J1 | 225°/s,3.93rad/s |
| J2 | 225°/s,3.93rad/s | |
| J3 | 500mm/s | |
| J4 | 180°/s,3.14rad/s | |
| *高速度 | J1 | 300°/s,5.23rad/s |
| J2 | 375°/s,6.54rad/s | |
| J3 | 830mm/s | |
| J4 | 360°/s,6.28rad/s | |
| 容許慣性矩 | J4 | 3kg㎡ |
| 容許扭矩 | J4 | 50N·m |
| 適用環境 | 溫度 | 0~45° |
| 濕度 | 20%~80% | |
| 其他 | 避免與易燃易爆或腐蝕性氣體、液體接觸,遠離電子噪聲源(等離子) | |
| 示教器線纜長度 | 8米 | |
| 本體-柜體連接線長度 | 6米 | |
| I/O參數 | 數字量:32輸入,31輸出(控制柜故障指示燈輸出占用1) | |
| 電源容量 | 2.8kVA | |
| 額定功率 | 2.2kW | |
| 額定電壓 | 3相AC380V | |
| 額定電流 | 4A | |
| 防護等級 | IP54 | |
| 安裝方式 | 地面安裝 | |
| 本體重量 | 250kg | |
| 控制柜防護等級 | IP53 | |
| 控制柜尺寸 | 660(寬)×450(厚)×950(高)-立式 | |
| 控制柜重量 | 50Kg | |

四、工業應用

- 上一篇:LG-CY410A型 沖壓工業機器人
- 下一篇:LG-CY420型 沖壓工業機器人





