- 電工電子電氣實訓設備
- 電力電子電機實訓裝置
- 過程控制實驗裝置
- 工業機器人智能制造
- 維修電工實訓設備
- PLC自動化實訓設備
- 數控機床實訓考核裝置
- 數控機床機械加工設備
- 機床電氣實訓裝置
- 機電一體化實訓設備
- 機械示教陳列柜
- 機械專業實驗設備
- 傳感器檢測實驗室設備
- 工業互聯人工智能實訓設備
- 特種作業操作實訓考核設備
- 物聯網實驗實訓設備
- 消防、給排水實訓設備
- 網絡布線實訓室設備
- 電梯安裝維修實訓考核設備
- 熱工暖通家電制冷實訓設備
- 樓宇智能化實訓設備
- 環境工程實驗裝置
- 流體力學實驗裝置
- 化工專業實驗實訓設備
- 新能源實驗實訓設備
- 電力供配電實訓設備
- 煤礦礦山實驗實訓設備
- 液壓氣動實驗室設備
- 教學仿真軟件
- 軌道交通實驗實訓設備
- 船舶實訓考核裝置
- 駕駛模擬訓練設備
- 新能源汽車實訓設備
- 汽車發動機底盤實訓臺
- 汽車電器電子實訓臺
- 特種車工程機械實訓設備
- 智能網聯汽車實訓設備
- 醫學教學模型
- 中小學實驗室設備
- 實驗箱.實驗儀
- 光電子通信實驗裝置
- 儀器設備.教學掛圖
- LG-DQ04型 電氣自動化技術考核實訓裝置
- LGKL-735D型 通用電工電子實訓設備(電工電子電氣數
- LG-BZH015型 光纜交接箱工程布線光電展示實訓裝置
- LG-BZH014型 數據中心工程布線光電展示實訓裝置
- LG-BZH013型 光纖熔接實訓設備
- LG-BZH012型 全光網綜合布線實訓平臺
- LG-BZH011型 網絡綜合布線故障模擬與檢測實訓裝置
- LG-BZH010型 網絡綜合布線故障模擬與檢測實訓裝置
- LG-BZH09型 光纜配線端接與測試實訓裝置
- LG-BZH08型 光纜配線端接與測試實訓裝置
- LG-BZH07型 銅纜配線端接與測試實訓裝置
- LG-BZH06型 銅纜配線端接與測試實訓裝置
- LG-DST02型 智能制造單元理實一體化平臺
- LGP-LC01型 PLC實驗臺
- LGY-LY020型 運動控制實訓裝置
- 汽車透明整車模型、運輸車輛模型
- CLG-104型《電機與變壓器》示教陳列柜(CD解說)
- CLG-109《模具》示教陳列柜(CD解說)
- CLG-107型 機械綜合陳列柜
- CLG-102型 《機械零件》示教陳列柜
- LG-DCC型 機械振打袋式除塵實驗裝置
- LG-MFL01型 超濾微濾膜分離實驗裝置
- LG-NKS型 催化劑顆粒內擴散實驗裝置
- LG-CLDF型 多釜串聯實驗裝置
- LG-YY18C型 氣動與PLC實訓裝置(T型鋁槽單面)
- LG-YY18B型 透明液壓傳動與PLC實訓裝置(T型鋁槽單面
- LG-YYCS01型 液壓傳動與控制綜合測試實驗臺
- LG-DY01B型 電液比例綜合實驗臺
- LG-YYZN01型 智能型液壓綜合實驗臺
- LG-DLK01型 電力系統綜合自動化實驗平臺
LG-DQYL01型 電氣回路故障排查與診斷裝置
品牌:理工偉業 咨詢電話:010-82827827 82827835
一、 裝置訓練項目:
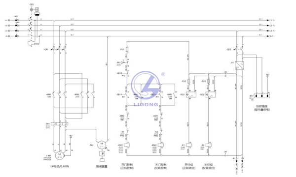
電氣回路故障排查與診斷裝置由一套三相電動機正反轉電氣控制回路,外接絲桿 滑臺行程檢測裝置,模擬顯示屏展示船閘工作閘門的啟閉動作。絲桿上設有兩套電感 式限位開關,限制工作閘門的動作位置。電氣回路和絲桿滑臺裝置上將被設置 5 個不 同的故障點,包含但不限于短路、過載、斷路、接線錯誤、器件損壞等故障,滿足參 賽選手在規定的時間內完成電氣回路的故障點排查,實現工作閘門的正常啟閉、到位 停機和緊急停機功能。

二、 裝置提供功能:
1. 實現模擬工作閘門正常開啟功能
按下啟門按鈕/接觸器正常吸合, 電機正轉運行。絲桿滑臺運行,顯示屏根據行程 編碼器模擬開度儀信號,顯示工作閘門模擬開度。
2. 實現模擬工作閘門開啟到位停機功能
電機正轉運行/絲桿滑塊觸碰開終限位,接觸器控制回路斷開,電機停止運行,此 時顯示屏顯示工作閘門開終位。
3. 實現模擬工作閘門正常關閉功能
按下關門按鈕/接觸器正常吸合, 電機反轉運行。絲桿滑臺運行,顯示屏根據行程 編碼器運行開度儀,顯示工作閘門模擬開度。
4. 實現模擬工作閘門關閉到位停機功能
電機反轉運行/絲桿滑塊觸碰關終限位,接觸器控制回路斷開,電機停止運行,此 時顯示屏顯示工作閘門關終位。
5. 實現模擬工作閘門手動停機功能
電機正轉或反轉運行 ,按下停機按鈕,此時控制回路斷開, 電機停止運行。顯 示屏根據編碼器顯示工作閘門當前開度值。
注:如設備不能正常運行,請檢查供電電源,主回路及控制回路有無短路、過 載、斷路、接地、接線錯誤、器件損壞等故障
三、 裝置訓練技能:
此競賽項目要求參賽選手掌握運管員以下技能:
1. 能正確使用儀器儀表檢查電氣回路;
2. 能對電氣保護裝置進行檢查與維護;
3. 能識別設備故障原因,快速診斷與處置;
四、 裝置運行環境:
配備一套三相電動機正反轉電氣回路,外接模擬裝置,模擬船閘工作閘門的啟閉 動作。模擬器上設有兩套機械式限位開關,限制工作閘門的動作。電氣回路將被設置 不同的故障點,例如短路、過載、斷路、接地、接線錯誤、器件損壞等故障,參賽選 手須在規定的時間內完成電氣回路的故障點排查,實現工作閘門的手動正常開啟、關 閉以及到位停機功能。
硬件特點:采用國產元器件系統集成,
競賽工作臺
采用優質冷軋鋼板,頂部配有防爆 LED 燈管,方便夜間及照明條架不佳的地方工 作。背板采用方孔掛板,方便元器件安裝。采用耐沖擊防靜電桌面,耐沖擊、耐磨、 抗壓強承重大,承重強、桌子更穩固。桌體全鋼桌腳,桌角支架平均負荷可達 300KG. 帶鎖抽屜增加收納空間,使工作空間更整潔。
輸入電源:三相四線 AC380V±10% 50Hz ,16A 。帶漏電保護裝置,配電箱體/斷 路器/航空插頭附件等
顯示屏:DELL D2721H 27 英寸/HDMI+VGA 接口 分辨率:1920*1080。
機械傳動設備
電機采用齒輪減速電機 AC380V 0.4KW 含抱閘制動裝置 AC220V,電機減速比 15:1。電動機采用全新高硬度鋼材料軸頭,不易變形,經久耐用。內部采用安全絕緣 套,防靜電、防火花。機身后蓋采用透氣鏤空設計,使電機散熱性能優。
絲桿滑臺模組最大有效行程 850mm,含支架、滑塊、聯軸節 絲桿導程 10mm。 絲桿兩端采用加固穩定軸承片,提高整體穩定性。絲桿采用 C7 級滾珠絲桿,精度可 達正負 0.05mm,鋼材質線規,防銹性和流暢度更高。底座采用航空鋁材配件,均氧 化處理,拒絕生銹。底部與側邊采用可移動 M4 螺母,可以在任意位置安裝限位開關 及固定。
U 型槽型光電開關系列,檢測精度穩定。外殼防塵一體式結構,線纜采用柔韌導 線,耐拉耐彎折。電壓電壓 DC12-24V,應差距離 0.025mm。輸出類型 PNP/NPN可 選擇。動作模式常開/常閉(可選擇)。
編碼器采用 25 位絕對編碼器 分辨率:8192、
通訊: Modbus RTU 工作電壓:10-30V。
安裝方式:夾緊法蘭。國際標準 Modbus RTU 輸出,可設長度、角度、速度、應 用輸出。適合各種多回轉角度的絕對位置測量。全量程絕對碼盤,內部無電池,不含 計數裝置,非接觸式測量碼盤,直接絕對位置對應讀取,無誤碼率、無累計誤差、無 需停電記憶。
安裝基座采用 2.5mm 鋼板鈑金加工,外觀噴塑 RAL7035。
控制設備
動力及控制電源開關采用國產常熟開關 CH3 系列產品,分斷能力級別 6KA,額定 電流及極數根據項目需求自行選擇。接觸器采用常熟開關 CK3 系列產品,額定電流 9A、直流操作電壓 DC24V、選配頂裝輔助觸頭兩常開兩常閉??赡褪茴l率為
10Hz~55Hz、加速度為 15m/s 的機械振動 、加速度為 50m/s 的機械沖擊;配備常熟 開關 CJR3 系列熱過載繼電器,電流范圍 0.95-1.45A。具有過載、斷相保護,手動/自 動復位選擇,設定簡單。
中間繼電器采用國產宏發電聲 HF18FZ 系列產品,額定電壓:250CAC、額定電 流:4Z/5A、介質耐壓:2000VAC、最大導線截面尺寸: 2X1.5mm²。
熔斷器采用國產茗熔 RT18-32 系列產品,外觀阻燃材質、額定電壓 500V、導件 材質為銅件、規格型號 1P/2P/3P/4P、導軌式安裝。
自復位按鈕采用國產正泰 NP9 系列導軌式按鈕,兩開兩閉不帶燈,按鈕顏色可 選,PC 絕緣性外殼。按鈕適用于交流50Hz/60Hz、額定電壓至 230V 電路控制系統 中,作為磁力啟動器、接觸器及其他電氣線路控制之用。
智能 I/O Modbus/TCP 適配器 PMA-MT 系列適配器是基于 Mod bus/TCP 工業以 太網總線。占用空間小,實時性高、模塊 種類豐富,為用戶高速數據采集、優化系 統配置、簡化現場配線、提高系統可靠性等提供保障。
產品特點
體積小 :結構緊湊,占用空間小,僅 113mm*90mm*40mm
組態簡單 :組態、配置簡單,支持各大主流 Mod bus/TCP 主站 功能擴展豐富
支持靈活擴展,IO 各類齊全;
可集成數字量、模擬量,種類豐富,可適用不同應用場合需求

智能 I/O 適配器參數
智能控制器采用國產 HDMI 智能終端,HDMI 智能終端將顯示屏幕與 HMI 分離, 可搭配任意尺寸的帶有 HDMI 接口的顯示設備,讓實時監控視野更大、更清晰。

HDMI 智能終端技術參數
五、 裝置尺寸重量:
工作臺面尺寸 1500*800*780(寬*深*高)
上部設置試驗裝置安裝屏高:1000 總重量約 110KG。

裝置尺寸及示意圖

系統原理圖





