產品分類
- 電工電子電氣實訓設備
- 電力電子電機實訓裝置
- 過程控制實驗裝置
- 工業機器人智能制造
- 維修電工實訓設備
- PLC自動化實訓設備
- 數控機床實訓考核裝置
- 數控機床機械加工設備
- 機床電氣實訓裝置
- 機電一體化實訓設備
- 機械示教陳列柜
- 機械專業實驗設備
- 傳感器檢測實驗室設備
- 工業互聯人工智能實訓設備
- 特種作業操作實訓考核設備
- 物聯網實驗實訓設備
- 消防、給排水實訓設備
- 網絡布線實訓室設備
- 電梯安裝維修實訓考核設備
- 熱工暖通家電制冷實訓設備
- 樓宇智能化實訓設備
- 環境工程實驗裝置
- 流體力學實驗裝置
- 化工專業實驗實訓設備
- 新能源實驗實訓設備
- 電力供配電實訓設備
- 煤礦礦山實驗實訓設備
- 液壓氣動實驗室設備
- 教學仿真軟件
- 軌道交通實驗實訓設備
- 船舶實訓考核裝置
- 駕駛模擬訓練設備
- 新能源汽車實訓設備
- 汽車發動機底盤實訓臺
- 汽車電器電子實訓臺
- 特種車工程機械實訓設備
- 智能網聯汽車實訓設備
- 醫學教學模型
- 中小學實驗室設備
- 實驗箱.實驗儀
- 光電子通信實驗裝置
- 儀器設備.教學掛圖
更多新產品
- LG-DQ04型 電氣自動化技術考核實訓裝置
- LGKL-735D型 通用電工電子實訓設備(電工電子電氣數
- LG-BZH015型 光纜交接箱工程布線光電展示實訓裝置
- LG-BZH014型 數據中心工程布線光電展示實訓裝置
- LG-BZH013型 光纖熔接實訓設備
- LG-BZH012型 全光網綜合布線實訓平臺
- LG-BZH011型 網絡綜合布線故障模擬與檢測實訓裝置
- LG-BZH010型 網絡綜合布線故障模擬與檢測實訓裝置
- LG-BZH09型 光纜配線端接與測試實訓裝置
- LG-BZH08型 光纜配線端接與測試實訓裝置
- LG-BZH07型 銅纜配線端接與測試實訓裝置
- LG-BZH06型 銅纜配線端接與測試實訓裝置
- LG-DST02型 智能制造單元理實一體化平臺
- LGP-LC01型 PLC實驗臺
- LGY-LY020型 運動控制實訓裝置
更多熱點產品
- 汽車透明整車模型、運輸車輛模型
- CLG-104型《電機與變壓器》示教陳列柜(CD解說)
- CLG-109《模具》示教陳列柜(CD解說)
- CLG-107型 機械綜合陳列柜
- CLG-102型 《機械零件》示教陳列柜
- LG-DCC型 機械振打袋式除塵實驗裝置
- LG-MFL01型 超濾微濾膜分離實驗裝置
- LG-NKS型 催化劑顆粒內擴散實驗裝置
- LG-CLDF型 多釜串聯實驗裝置
- LG-YY18C型 氣動與PLC實訓裝置(T型鋁槽單面)
- LG-YY18B型 透明液壓傳動與PLC實訓裝置(T型鋁槽單面
- LG-YYCS01型 液壓傳動與控制綜合測試實驗臺
- LG-DY01B型 電液比例綜合實驗臺
- LG-YYZN01型 智能型液壓綜合實驗臺
- LG-DLK01型 電力系統綜合自動化實驗平臺
機械原理實驗室
一、配置清單
二、技術參數
(一)CLG-02T型 機械原理控制柜

一、產品功用與特點
本陳列柜通過模型或實物,配合相應的圖文資料,借助電腦控制系統系統形象地演示和解說機器與機構的組成、平面連桿機構、空間連桿機構、凸輪機構、齒輪機構、輪系、間歇運動機構以及組合機構等常見機構的基本類型、結構形態和實際應用。可以加強學生對常見機構的感性認識,提高機構設計與應用能力。
本公司生產的機械原理陳列柜具有以下五大特點:
(1)以教育部機械基礎課程教學指導委員會近年來頒布的有關課程改革和面向21世紀創新型工程設計人才的有關精神和新出版的課程教材為依據進行設計,使陳列柜具有時代性和先進性;
(2)進一步精選模型,增加實際機械與機構應用實例,使陳列柜更具 “實物教材”的形態;
(3)在創新教育理念指導下,增加了富有啟發性的思考題(提供參考答案),陳列柜具有加強“自主性學習”和“探究性學習”的效果;
(4)采用中英文對照標牌,有利促進大學生的專業英語學習;
(5)本公司還獨家向用戶提供新編寫的《機械原理認知實驗指導書》,使傳統的陳列柜升格為新的現代化實驗設備。
二、產品陳列內容
表1 機械原理柜的展示內容
2、陳列柜中的模型動作和講解由大容量語言芯片的微電腦程序控制,用遙控器能使全柜模型按順序播音,電動的模型能自動演示機構的運動。每個柜可以單獨演示,也能用手動方式控制柜內電動模型運動,以適應重點講解需要,也具有只動作不播音的功能。
3、陳列柜中設計有思考題,以進行啟發式教學或探究性教學。
4、陳列柜中的模型主要由鋁合金和PVC精制。金屬件進行表面處理,不生銹;非金屬件10年不老化。
5、陳列柜柜體采用1.2mm冷軋鋼板制作,并進行噴塑處理。陳列柜的展示面板采用高級彩色鋁塑板復合密度板制作。
6、陳列柜內裝有照明日光燈。
7、陳列柜內裝有揚聲器,講解詞播放時在100平米房內聲音宏亮、清晰。
8、輸入電壓:交流220V ,功率 400w。
9、單個陳列柜外形尺寸:1100(寬)、450(厚)、1900(高);柜體底部裝有移動滾輪。
四、提供主要技術資料
1、《機械原理柜產品說明書》1份
2、《機械原理認知實驗指導書》1份
(二)LG-CF-B型 齒輪范成儀

一、技術參數:
1、材質:優質鋁合金、工程塑料、亞克力
2、齒條插刀:m=8,m=20
3、重量:2.3kg
4、外形尺寸:330×310×110mm
二、基本配置:
1、插刀2把
三、實驗目的及項目:
1、掌握用范成法加工漸開線齒輪的基本原理,觀察齒廓的形成過程;
2、了解刀具變為后輪坯齒形的變化及對齒輪各參數的影響,分析比較標準齒輪和變位齒輪的異同點;
3、理解漸開線齒廓產生根切現象的原因,及避免根切的方法,建立變為齒輪的基本概念。
四、性能特點:
1、齒輪基圓盤為圓形(360°),操作簡便快捷
2、具有演示漸開線齒廓的形成過程功能
五、實驗目的
1、 掌握用范成法制造漸開線齒輪的基本原理。
2、 了解漸開線齒輪產生根切現象的原因和避免根切的方法。
3、 分析比較標準齒輪和變位齒輪的異同點。
六、實驗設備與工具
1、齒輪范成儀;
2、圓規,三角尺,繪圖儀,剪刀,兩支不同顏色的鉛筆或圓珠筆(學生自備);
七、實驗原理和實驗方法
范成法是利用一對齒輪相互嚙合時其共軛齒廓互為包絡線的原理加工輪齒的一種方法。加工時,其中一輪為刀具,另一輪為輪坯,二者相對滾時,好像一對齒輪互相嚙合傳遞一樣;同時刀具還沿輪坯的軸向作切削運動,最后在輪坯上被加工出來的齒廓就是刀具刀刃在各個位置的包絡線。為了看清楚齒廓形成的過程,可以用圖紙作輪坯。在不考慮切削和讓刀運動的情況下,刀具與輪坯相對滾動時,刀刃在圖紙上所引出的各個位置的包絡線,就是被加工齒輪的曲線。目前生產中大量使用漸開線齒輪,故刀具輪廓必然亦為漸開線。為了逐步地再現上述加工中刀刃在相對輪坯每個位置形成的包絡線的詳細過程,通常采用齒輪范成儀來實現。齒輪范成用的儀器雖然有多種形式,但其基本原理是相同的。
八、實驗步驟和要求
1、據已知的刀具參數和被加工齒輪分度圓直徑,計算被加工齒輪的基圓、最小變位系數、最小變位量、標準齒輪的齒頂圓與齒根圓直徑,以及變位齒輪的齒根圓與齒頂圓直徑。然后根據計算數據將上述六個圓畫在同一張紙上,并沿最大圓的圓周剪成圓形紙片,作為本試驗的“輪坯”;
2、把“輪坯”安裝到已缺口的圓盤上,必須注意對準中心;
3、調節刀具中線,使其與被加工齒輪分度圓相切。刀具處于切制標準齒輪時的安裝位置上。
4、“切制”齒輪時,先把刀具移向一端,使刀具的齒廓退出輪坯中標準齒輪的圓;然后每當道具向另一端移動
(三)LG-DYS01型 動平衡試驗臺

一、實驗內容:
1、鞏固轉子動平衡知識,加深轉子動平衡概念的理解;
2、掌握剛性轉子動平衡實驗的原理及基本方法。
二、性能特點:
該動平衡機采用補償質徑積的方法來測定試件不平衡的大小和位置,這種動平衡機的工作原理緊密的結合課程內容,因此對加深理解平衡原理和方法,提高學生操作的能力起到很好的作用,這種動平衡機由于采用機械補償元件,性能穩定、測量可靠、操作簡便、直觀形象。配備實驗桌,采用鐵質雙層亞光密紋噴塑結構,鑄件平板臺面,鋁質面板。設有帶鎖儲存柜,可放置配件及資料等。實驗桌還設有四個帶剎車萬向輪,便于移動和固定。
三、主要技術參數:
電機功率:60W;
輸入電源:單相三線 220VAC±10% 50Hz
電動機轉速范圍:0-1400rpm
百分表量程:0~10 mm
直流調速器 1 個:輸出電壓 0~220VDC,輸出電流 4ADC
數顯轉速表 1 個:顯示轉子的轉速
動平衡轉速:450rpm
試件質量:≤10 kg
試件最大直徑:Φ=185mm
試件兩軸頸支承距離:370 mm
平板外型尺寸:700×370×400(mm);
重量:58kg
四、實驗臺(機)的基本結構:
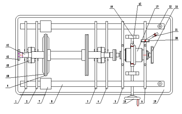
它主要由動力驅動系統、轉子支承系統、測量系統等組成,如圖所示。 被平衡轉子安裝在轉子支承系統的軸上,用聯軸器與差速器相連接。直流電機通過皮帶,帶動軸與轉子旋轉,當有不平衡質量存在時,則產生離心慣性力使軸、轉子以及差速器上下周期性的振動,其振動幅度可通過百分表體現出來。
1、電機,2、電機基座,3、實驗臺平臺,4、測速盤,5、彈性聯軸器,6、測速傳感器,7、轉子軸,8、平衡盤,9、差速器,10、表桿,11、百分表,12、補嘗盤,13、彈簧,14、蝸桿。
五、造型及表面處理:
大氣美觀、實物感強、加工精細;
結構合理、外型美觀大方,操作簡便安全、直觀性強,底座剛度大,抗震性能好。
關鍵詞: 數控車床 實訓設備 實訓裝置 教學儀器 實驗設備 教學設備 實訓臺 考核裝置 技能考核 電工電子 實驗裝置 數控技術 實訓考核 技能實訓 數控系統 電氣控制 自控實訓 實驗系統 數控軟件 數控實訓 電氣技術 數控設備 數控銑床 高教設備 教學車床 數控機床 職教設備 PLC控制 PLC技術 PLC實驗
| 序號 | 擬購實驗設備名稱 | 規格型號 | 數量 |
| 1 | 機械原理控制柜 | CLG-02T | 1套 |
| 2 | 齒輪范成儀 | LG-CF-B | 6臺 |
| 3 | 動平衡試驗臺 | LG-DYS01 | 10臺 |
(一)CLG-02T型 機械原理控制柜

一、產品功用與特點
本陳列柜通過模型或實物,配合相應的圖文資料,借助電腦控制系統系統形象地演示和解說機器與機構的組成、平面連桿機構、空間連桿機構、凸輪機構、齒輪機構、輪系、間歇運動機構以及組合機構等常見機構的基本類型、結構形態和實際應用。可以加強學生對常見機構的感性認識,提高機構設計與應用能力。
本公司生產的機械原理陳列柜具有以下五大特點:
(1)以教育部機械基礎課程教學指導委員會近年來頒布的有關課程改革和面向21世紀創新型工程設計人才的有關精神和新出版的課程教材為依據進行設計,使陳列柜具有時代性和先進性;
(2)進一步精選模型,增加實際機械與機構應用實例,使陳列柜更具 “實物教材”的形態;
(3)在創新教育理念指導下,增加了富有啟發性的思考題(提供參考答案),陳列柜具有加強“自主性學習”和“探究性學習”的效果;
(4)采用中英文對照標牌,有利促進大學生的專業英語學習;
(5)本公司還獨家向用戶提供新編寫的《機械原理認知實驗指導書》,使傳統的陳列柜升格為新的現代化實驗設備。
二、產品陳列內容
表1 機械原理柜的展示內容
| 序號 | 陳列柜名稱 | 內容模塊 | 陳列模型 |
| 1 | 機器與機構的組成 |
A、機器示例 B、機構應用示例 C、運動副種類 |
機器示例 機構應用示例 運動副模型 |
| 2 | 平面連桿機構 |
A、鉸鏈機構基本類型 B、四桿機構的演化 |
鉸鏈四桿機構的基本類型 四桿機構演化示例 |
| 3 | 平面連桿機構應用 |
A、曲柄搖桿機構應用 B、雙曲柄機構應用 C、雙控桿機構應用 |
曲柄搖桿機構應用 雙曲柄機構應用) 雙搖桿機構應用 |
| 4 | 空間連桿機構 |
A、空間四桿機構 B、空間五桿機構 C、空間六桿機構 |
空間四桿機構 空間五桿機構 空間六桿機構 |
| 5 | 凸輪機構 |
A、凸輪機構類型 B、機構封閉方式 |
凸輪機構基本類型 凸輪機構封閉方式 |
| 6 | 齒輪機構 |
A、平面齒輪機構 B、空間齒輪機構 |
平面齒輪機構 空間齒輪機構 |
| 7 | 輪系的類型 |
A、定軸輪系 B、周轉輪系 C、復合輪系 |
平面定軸輪系 空間定軸輪系 周轉輪系 復合輪系 行星輪平衡 |
| 8 | 輪系的功用 |
A、輪系常見功用 B、新型減速器 |
獲得大傳動比 分路傳動 變速傳動 換向傳動 運動合成 運動分解 擺線針輪減速器 諧波傳動減速器 |
| 9 | 間歇運動機構 |
A、棘輪機構 B、槽輪機構 C、齒式間歇機構 D、凸輪間歇機構 |
棘輪機構 槽輪機構 不完全齒輪機構 凸輪式間歇機構 超越離合器 |
| 10 | 組合機構 |
A、同類機構組合 B、異類機構組合 |
聯動凸輪機構 凸輪-齒輪機構 凸輪-連桿機構 齒輪-連桿機構 |
三、產品性能參數
1、陳列柜中的每個模型都配備了指示燈和文字說明;電動模型采用微電機驅動,電機與機構的連接部分采用滾動軸承裝配結構,消除了傳統的滑動軸套結構所產生的卡死、噪聲以及因裝配間隙所引起的機構傳動配合誤差現象。2、陳列柜中的模型動作和講解由大容量語言芯片的微電腦程序控制,用遙控器能使全柜模型按順序播音,電動的模型能自動演示機構的運動。每個柜可以單獨演示,也能用手動方式控制柜內電動模型運動,以適應重點講解需要,也具有只動作不播音的功能。
3、陳列柜中設計有思考題,以進行啟發式教學或探究性教學。
4、陳列柜中的模型主要由鋁合金和PVC精制。金屬件進行表面處理,不生銹;非金屬件10年不老化。
5、陳列柜柜體采用1.2mm冷軋鋼板制作,并進行噴塑處理。陳列柜的展示面板采用高級彩色鋁塑板復合密度板制作。
6、陳列柜內裝有照明日光燈。
7、陳列柜內裝有揚聲器,講解詞播放時在100平米房內聲音宏亮、清晰。
8、輸入電壓:交流220V ,功率 400w。
9、單個陳列柜外形尺寸:1100(寬)、450(厚)、1900(高);柜體底部裝有移動滾輪。
四、提供主要技術資料
1、《機械原理柜產品說明書》1份
2、《機械原理認知實驗指導書》1份
(二)LG-CF-B型 齒輪范成儀

一、技術參數:
1、材質:優質鋁合金、工程塑料、亞克力
2、齒條插刀:m=8,m=20
3、重量:2.3kg
4、外形尺寸:330×310×110mm
二、基本配置:
1、插刀2把
三、實驗目的及項目:
1、掌握用范成法加工漸開線齒輪的基本原理,觀察齒廓的形成過程;
2、了解刀具變為后輪坯齒形的變化及對齒輪各參數的影響,分析比較標準齒輪和變位齒輪的異同點;
3、理解漸開線齒廓產生根切現象的原因,及避免根切的方法,建立變為齒輪的基本概念。
四、性能特點:
1、齒輪基圓盤為圓形(360°),操作簡便快捷
2、具有演示漸開線齒廓的形成過程功能
五、實驗目的
1、 掌握用范成法制造漸開線齒輪的基本原理。
2、 了解漸開線齒輪產生根切現象的原因和避免根切的方法。
3、 分析比較標準齒輪和變位齒輪的異同點。
六、實驗設備與工具
1、齒輪范成儀;
2、圓規,三角尺,繪圖儀,剪刀,兩支不同顏色的鉛筆或圓珠筆(學生自備);
七、實驗原理和實驗方法
范成法是利用一對齒輪相互嚙合時其共軛齒廓互為包絡線的原理加工輪齒的一種方法。加工時,其中一輪為刀具,另一輪為輪坯,二者相對滾時,好像一對齒輪互相嚙合傳遞一樣;同時刀具還沿輪坯的軸向作切削運動,最后在輪坯上被加工出來的齒廓就是刀具刀刃在各個位置的包絡線。為了看清楚齒廓形成的過程,可以用圖紙作輪坯。在不考慮切削和讓刀運動的情況下,刀具與輪坯相對滾動時,刀刃在圖紙上所引出的各個位置的包絡線,就是被加工齒輪的曲線。目前生產中大量使用漸開線齒輪,故刀具輪廓必然亦為漸開線。為了逐步地再現上述加工中刀刃在相對輪坯每個位置形成的包絡線的詳細過程,通常采用齒輪范成儀來實現。齒輪范成用的儀器雖然有多種形式,但其基本原理是相同的。
八、實驗步驟和要求
1、據已知的刀具參數和被加工齒輪分度圓直徑,計算被加工齒輪的基圓、最小變位系數、最小變位量、標準齒輪的齒頂圓與齒根圓直徑,以及變位齒輪的齒根圓與齒頂圓直徑。然后根據計算數據將上述六個圓畫在同一張紙上,并沿最大圓的圓周剪成圓形紙片,作為本試驗的“輪坯”;
2、把“輪坯”安裝到已缺口的圓盤上,必須注意對準中心;
3、調節刀具中線,使其與被加工齒輪分度圓相切。刀具處于切制標準齒輪時的安裝位置上。
4、“切制”齒輪時,先把刀具移向一端,使刀具的齒廓退出輪坯中標準齒輪的圓;然后每當道具向另一端移動
(三)LG-DYS01型 動平衡試驗臺

一、實驗內容:
1、鞏固轉子動平衡知識,加深轉子動平衡概念的理解;
2、掌握剛性轉子動平衡實驗的原理及基本方法。
二、性能特點:
該動平衡機采用補償質徑積的方法來測定試件不平衡的大小和位置,這種動平衡機的工作原理緊密的結合課程內容,因此對加深理解平衡原理和方法,提高學生操作的能力起到很好的作用,這種動平衡機由于采用機械補償元件,性能穩定、測量可靠、操作簡便、直觀形象。配備實驗桌,采用鐵質雙層亞光密紋噴塑結構,鑄件平板臺面,鋁質面板。設有帶鎖儲存柜,可放置配件及資料等。實驗桌還設有四個帶剎車萬向輪,便于移動和固定。
三、主要技術參數:
電機功率:60W;
輸入電源:單相三線 220VAC±10% 50Hz
電動機轉速范圍:0-1400rpm
百分表量程:0~10 mm
直流調速器 1 個:輸出電壓 0~220VDC,輸出電流 4ADC
數顯轉速表 1 個:顯示轉子的轉速
動平衡轉速:450rpm
試件質量:≤10 kg
試件最大直徑:Φ=185mm
試件兩軸頸支承距離:370 mm
平板外型尺寸:700×370×400(mm);
重量:58kg
四、實驗臺(機)的基本結構:
它主要由動力驅動系統、轉子支承系統、測量系統等組成,如圖所示。 被平衡轉子安裝在轉子支承系統的軸上,用聯軸器與差速器相連接。直流電機通過皮帶,帶動軸與轉子旋轉,當有不平衡質量存在時,則產生離心慣性力使軸、轉子以及差速器上下周期性的振動,其振動幅度可通過百分表體現出來。
1、電機,2、電機基座,3、實驗臺平臺,4、測速盤,5、彈性聯軸器,6、測速傳感器,7、轉子軸,8、平衡盤,9、差速器,10、表桿,11、百分表,12、補嘗盤,13、彈簧,14、蝸桿。
五、造型及表面處理:
大氣美觀、實物感強、加工精細;
結構合理、外型美觀大方,操作簡便安全、直觀性強,底座剛度大,抗震性能好。





