產品分類
- 電工電子電氣實訓設備
- 電力電子電機實訓裝置
- 過程控制實驗裝置
- 工業機器人智能制造
- 維修電工實訓設備
- PLC自動化實訓設備
- 數控機床實訓考核裝置
- 數控機床機械加工設備
- 機床電氣實訓裝置
- 光機電一體化實訓設備
- 機械示教陳列柜
- 機械專業實驗設備
- 傳感器檢測實驗室設備
- 人工智能實訓設備
- 特種作業操作實訓考核設備
- 物聯網實驗實訓設備
- 消防、給排水實訓設備
- 網絡布線實訓室設備
- 電梯安裝維修實訓考核設備
- 熱工暖通家電制冷實訓設備
- 樓宇智能化實訓設備
- 環境工程實驗裝置
- 流體力學實驗裝置
- 化工專業實驗實訓設備
- 新能源實驗實訓設備
- 電力供配電實訓設備
- 煤礦礦山實驗實訓設備
- 液壓氣動實驗室設備
- 財經類實訓設備.軟件
- 軌道交通實驗實訓設備
- 船舶實訓考核裝置
- 駕駛模擬訓練設備
- 新能源汽車實訓設備
- 汽車發動機底盤實訓臺
- 汽車電器電子實訓臺
- 特種車工程機械實訓設備
- 汽車虛擬仿真實訓軟件
- 醫學教學模型
- 中小學實驗室設備
- 實驗箱.實驗儀
- 模型沙盤模擬屏定制
- 儀器設備.教學掛圖
更多新產品
- LG-IRB04型 工業機器人綜合實訓系統(雙機器人)
- LG-IRE01型 工業機器人實驗平臺(埃夫特E3-600)
- LG-IRE03型 工業機器人模塊化綜合實訓平臺
- LGJX-82E型 立體倉庫實訓裝置
- LGJS-1型 現代物流倉儲自動化實驗系統
- LGJS-2型 模塊式柔性自動環形生產線實驗系統(工
- LG-2400型 數控模組化生產流水線綜合系統(CD制程
- LGJD-01型 光機電一體化控制實訓裝置
- LGJD-02型 光機電一體化控制實訓裝置
- LG-235A 光機電一體化高速分揀實訓系統
- LG-XYM01型 防煙排煙系統控制實訓裝置
- LG-ISFTP01型 工業機器人智能制造綜合應用自動化生
- LG-VRMN02型 VR汽車安全駕駛與緊急避險訓練系統
- LG-DTF05型 人行道扶梯技能培訓考核實驗裝置
- LGWL-WL02型 倉儲物流物聯網實訓系統
更多熱點產品
- LGJX-82E型 立體倉庫實訓裝置
- LGJS-1型 現代物流倉儲自動化實驗系統
- LGJS-2型 模塊式柔性自動環形生產線實驗系統(工
- LG-2400型 數控模組化生產流水線綜合系統(CD制程
- LGJD-01型 光機電一體化控制實訓裝置
- LGJD-02型 光機電一體化控制實訓裝置
- LG-235A 光機電一體化高速分揀實訓系統
- LGK-III型 數控車/銑床綜合考核裝置(二合一/生產型
- LG-AT2型 自控原理與計算機控制實驗儀
- LG-NLY01型 樓宇智能化工程實訓系統
- LGZK-201G 自動化綜合實訓裝置( PLC、直流調速、觸
- LGPD-205B型 PLC、單片機及微機原理綜合實訓裝置
- LGZK-201C 自動化綜合實訓裝置(PLC、變頻器)
- LGZK-201B 自動化綜合實訓裝置(PLC/觸摸屏)
- LGZK-201A 自動化綜合實訓裝置 (PLC)
風機盤管加新風中央空調系統綜合實訓考核裝置
我們公司研究的風機盤管加新風中央空調系統綜合實訓考核裝置自動控制實驗室設計與建設方案,希望對這一基于工學結合的課程體系重塑工作有所助益,對高職院校的制冷與空調設備自動控制實驗室的建設與改造提供一些經驗與教訓。

在研究基于風機盤管加新風系統的空調系統自動控制實驗室設計與建設方案前,首先確立了幾個基本原則:
(1)成本要低,因此*好是在已有的空調實驗室的基礎上設計與改造,這樣就可以節省大部分制冷與空調設備本身的投資,預算比較容易獲得校方相關管理部門的許可與支持。
(2)該實驗室主要是服務于教學實踐,因此該實驗室的建設不能以技術先進為導向,而應以成熟、可靠,尤其是各種類型制冷與空調設備上被普遍使用的常見控制設備為主,這樣對學生適應畢業后的工作崗位很有意義。
(3)為拓展該實驗室所能服務的制冷與空調設備各專業的教學范圍及教學內容,實驗室內所設計的自控系統應具有綜合性、模塊化的特點,即根據制冷與空調設備專業控制教學大綱,這些控制設備可以組成完整的系統,各設備的控制裝置又可以單獨完成一些不同教學實踐環節的實驗實訓任務。
1空調系統自動控制實驗室設計方案
我們公司的中央空調實驗室是一個典型的風機盤管加新風系統,冷熱源使用一臺開利活塞式風冷熱泵冷熱水系統,新風機使用的是天加的臥式機組,具有過濾、冷熱盤管、單風機、加濕、均流等功能模塊,末端設備包括臥式側出風明裝、暗裝、立式明裝、柜式等類型的風機盤管和新風機所配的各種類型的散流器及回風口,系統示意圖如下圖所示。

圖1風機盤管加新風系統示意圖
1.1 典型風機盤管的控制方案設計
因空調實驗室的風機盤管類型較多,一般采用單獨靈活控制,為了便于學生接觸到更多類型的風機盤管控制器,本方案設計了幾種不同類型的風機盤管控制器,如電子控制器加電動閥、電子控制器加電磁閥、簡單的風機調速器等。
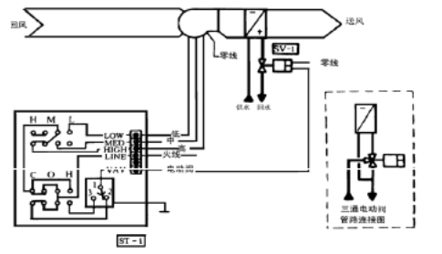
圖2為兩管制冷熱盤管電子控制器加電動閥控制系統圖,圖中ST-1為風機盤管控制器,它包括了模式選擇開關、溫控器、風機轉速選擇開關三個部分。模式選擇開關可選擇冷(C)、熱(H)和關(O)三種狀態。制冷時若室溫高于設定值,溫控器觸點1和2接通,電動閥被打開,系統對室內提供冷氣。制熱時若室溫低于設定值,溫控器觸點1和3接通,電動閥被打開,系統對室內提供暖氣。溫控器的設定溫度在5℃~30℃范圍內可調。風機轉速選擇開關可手動選擇風機的高、中、低三檔轉速。SV-1為安裝在盤管回水管上的電動兩通閥,由溫控器控制,主要由它來控制盤管的冷熱量輸出。
圖2 典型風機盤管控制系統原理圖
1.2 新風機組的控制方案設計
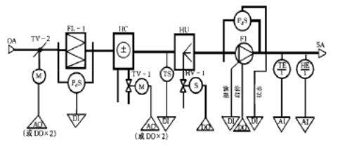
圖3新風機組DDC控制系統原理圖
新風機組采用集中控制,本方案采用DDC直接數字控制。新風機組DDC控制系統原理如圖3所示,為新風機組的直接數字控制(DDC)系統流程圖。其溫度控制系統由溫度傳感器TE、執行器電動兩通調節閥TV-1及換熱器和新風閥TV-2組成。濕度控制系統由濕度傳感器ME1、加濕電動兩通調節閥TVS、加濕器組成。過濾器報警及風機運行狀態和故障狀態監視系統由過濾器壓差開關PdS、防凍開關TS、風機過流繼電器常開觸頭(事故報警)、風機前后的壓差開關的常開觸點(狀態監視)及DDC輸出繼電器模塊組成。
DDC控制器通過其內置的通訊模塊,可使DDC控制系統進入同層網絡,與其他DDC控制器進行通信,共享數據信息,也可以進入集散式系統,構成分站,完成分站監控任務,同時與中央站通信。
1.3 監控系統的設計方案
現在中央空調計算機監控系統類型較多,本方案采用較成熟的美國尼韋爾公司EXCEL100可編程小型HVAC控制器;該控制器適用于所有HVAC控制應用軟件和樓宇自動化功能的EXCEL5000系統內的DDC控制器。控制器可應用于獨立運行,撥號和網絡系統。適用于小型和中型的建筑物。控制軟件可使用CARE軟件可自由編程,也可用標準的ModAL模塊軟件進行編程。本系統監控計算機使用Windows操作系統,操作界面學生較熟悉,該系統原理如圖4所示。
2基于風機盤管加新風系統的空調系統自動控制實驗室建設方案
本空調系統自控實驗室的EXCEL100可編程小型HVAC控制器系統及其配套傳感器、自控閥門等部件以及相應的編程軟件由外包廠商統一提供,手持式紅外溫度測量儀、手持式風速測量儀等現場測量儀器由學校采購,如果預算不足,可分期分批完成。
對于自控系統在已有的空調設備如風機盤管、新風機組和供回水管道上的安裝調試,應該以在廠家技術支持的條件下由專業教師及實驗員主導完成,這樣便于專業教師及實驗員盡快熟悉控制系統的結構、原理及維護。在安裝調試過程中,應要求廠家提供詳盡的產品技術資料,這一方面是收集實驗實訓的資料,另一方面,也是為了在熟悉、了解現有控制系統的基礎上,為逐步改造、升級控制系統預留空間,以適應制冷專業高職教育的快速發展。
3基于風機盤管加新風系統的空調系統自動控制實驗室設計方案的新特點
(1)本設計方案是基于目前我國*廣泛使用的中央空調系統類型-風機盤管加新風系統。
風機盤管加新風系統仍是目前我國大部分地區中央空調的主導型式,因此基于該系統的自動控制實驗室設計方案可以提供更多、更貼近工作實際的實驗實訓環節,不僅包括風機盤管的水系統控制環節,也包括新風機組的空氣處理、空氣輸送、空氣分配等空氣循環系統自控環節。
(2)本設計方案是基于已有的風機盤管加新風空調系統實驗實訓室的自控系統改造方案。
本方案的實現具有成本低、建設工期短的特點。這種方案對于現有空調實驗室的改造比較適用,可以較大程度上挖掘現有實驗室的潛力。
(3)本設計方案采用了分散式控制系統與傳統機電式控制相結合的方式。
本設計方案新風系統采用可編程小型HVAC控制器,而風機盤管系統則采用了傳統的機電式控制方式,而且風機盤管的機電式控制可以采用不同類型、功能的控制器和執行器,這樣就可以在一個實驗室中展現不同原理、不同功能特點的控制裝置,*大程度上擴大空調系統自動控制實驗室的使用范圍,提高實驗室提供不同類型自控系統實驗試訓的能力。
(4)本設計方案不僅可以提供空調自控系統的硬件安裝、維護能力、熱工測量實訓,同時還能提供一定的自控軟件編程能力實訓。
隨著空調系統自動控制技術的快速發展,僅僅掌握空調自控系統的硬件安裝、維護等技能已不能完全滿足工作崗位要求,還必須具備一定的自動控制軟件編程與軟件維護方面的技能。利用EXCEL100可編程小型HVAC控制器系統所配置的CARE軟件或ModAL模塊軟件可以為學生提供自控制軟件編程與維護的基本訓練,滿足職業技能的更高要求。
4基于風機盤管加新風系統的空調系統自動控制實驗室能實現的教學功能
通過組建一個完整的新風集散式控制系統和獨立的風盤控制系統,在教學實踐中可以實現如下教學功能:
(1)空調控制系統的教學靜態展示。
即計算機控制系統、電子控制系統、電氣控制系統等各類型控制裝置及其各控制零部件的展示。所以在實驗室建設中應適當采購一些控制系統中的主要零部件,如傳感器、風閥、電動電磁閥等,一是用于日常設備的維護,同時也可用來進行教學展示。
(2)空調控制系統的安裝調試。
高職制冷專業畢業生的一個重要就業崗位是·在制冷與空調設備的生產及安裝調試一線,制冷與空調設備的控制系統安裝調試是一項非常重要的工作內容,且需要較高的專業技能。本系統可為學生提供傳感器的測試安裝、控制器的安裝及電氣連接,電磁閥和電動閥的安裝調試等實驗實訓內容。同時通過對完整控制系統各部件的安裝調試,提高學生對各種典型機械式、電氣式、電子式控制系統各部件原理、結構、工作過程的認識與理解,增強學生的實際動手技能,這對于他們畢業后盡快進入工作角色有非常重要的意義。
(3)空調控制系統的故障判斷及排除。
對于畢業后從事制冷與空調設備的售后服務工作的高職制冷專業學生而言,空調控制系統的故障判斷及排除是他們以后職業生涯中一項*重要的工作內容之一,空調控制系統的故障判斷及排除不僅需要專業知識,同時更需要長期的實踐經驗及技能。為此不僅需要完整的空調設備控制系統,同時在還需在實驗實訓環節中安排實際故障診斷與排除環節,通過“實戰練兵”的形式提高學生的實踐經驗與實際技能。
(4)空調控制系統的運行管理。
對于許多在*終用戶的制冷與空調設備運行管理崗位上的高職制冷專業畢業來說,通過空調控,制系統對制冷與空調設備進行運行管理是日常工作之一,科學合理的運行管理時制冷與空調設備高效、節能運行的重要前提,通過對電子控制系統的實驗實訓,可幫助學生提高對電子控制系統的認識與理解,熟悉空調設備電子控制系統的日常運行操作,運行數據采集、儲存、管理與分析,系統故障巡檢,控制程序維護等。
(5)空調系統各參數的測控。
在空調系統的安裝、調試與維護工作中,對溫度、濕度等熱工參數的測量是一項很重要的工作。對于學生而言,不僅制冷與空調系統自身的自動控制系統可以通過相應傳感器自動對這些參數進行測量和存儲,同時學生也應能利用儀器對這些熱工參數進行人工測量,為此學生應熟悉手持式紅外溫度測量儀、手持式風速測量儀、皮托管以及紅外溫度測量儀等常用熱工測量儀器的測量原理、調較以及測量方法,以便于空調系統現場進行快速有效的熱工參數測量及數據分析。
(6)空調計算機控制系統的程序編制及調試。
對于一些學有余力的學生,可以利用CARE軟件在EXCEL100控制系統上自由編程,也可以用標準的MoDAL模塊軟件進行編程,通過軟件編程的練習和上機調試,可以讓學生熟悉空調自控系統常見編程語言,并且通過控制程序的編寫,幫助學生提高對控制系統各部分硬件的認識與理解。

綜上所述,本基于風機盤管加新風系統的空調系統自動控制實驗室設計與建設方案是以霍尼韋爾EXCEL100可編程小型HVAC控制器系統和傳統的機械式、電氣式控制裝置相結合;以自控系統自動控制和利用測量儀器現場測控相結合的方案。該方案是在現有風機盤管加新風空調系統基礎上,以提高高職制冷專業學生空調控制系統安裝、調試與維護能力為目的實施的設計與建設方案,可以很好的滿足工學結合,實踐為主的實驗實訓教學要求。

在研究基于風機盤管加新風系統的空調系統自動控制實驗室設計與建設方案前,首先確立了幾個基本原則:
(1)成本要低,因此*好是在已有的空調實驗室的基礎上設計與改造,這樣就可以節省大部分制冷與空調設備本身的投資,預算比較容易獲得校方相關管理部門的許可與支持。
(2)該實驗室主要是服務于教學實踐,因此該實驗室的建設不能以技術先進為導向,而應以成熟、可靠,尤其是各種類型制冷與空調設備上被普遍使用的常見控制設備為主,這樣對學生適應畢業后的工作崗位很有意義。
(3)為拓展該實驗室所能服務的制冷與空調設備各專業的教學范圍及教學內容,實驗室內所設計的自控系統應具有綜合性、模塊化的特點,即根據制冷與空調設備專業控制教學大綱,這些控制設備可以組成完整的系統,各設備的控制裝置又可以單獨完成一些不同教學實踐環節的實驗實訓任務。
1空調系統自動控制實驗室設計方案
我們公司的中央空調實驗室是一個典型的風機盤管加新風系統,冷熱源使用一臺開利活塞式風冷熱泵冷熱水系統,新風機使用的是天加的臥式機組,具有過濾、冷熱盤管、單風機、加濕、均流等功能模塊,末端設備包括臥式側出風明裝、暗裝、立式明裝、柜式等類型的風機盤管和新風機所配的各種類型的散流器及回風口,系統示意圖如下圖所示。

圖1風機盤管加新風系統示意圖
1.1 典型風機盤管的控制方案設計
因空調實驗室的風機盤管類型較多,一般采用單獨靈活控制,為了便于學生接觸到更多類型的風機盤管控制器,本方案設計了幾種不同類型的風機盤管控制器,如電子控制器加電動閥、電子控制器加電磁閥、簡單的風機調速器等。
圖2為兩管制冷熱盤管電子控制器加電動閥控制系統圖,圖中ST-1為風機盤管控制器,它包括了模式選擇開關、溫控器、風機轉速選擇開關三個部分。模式選擇開關可選擇冷(C)、熱(H)和關(O)三種狀態。制冷時若室溫高于設定值,溫控器觸點1和2接通,電動閥被打開,系統對室內提供冷氣。制熱時若室溫低于設定值,溫控器觸點1和3接通,電動閥被打開,系統對室內提供暖氣。溫控器的設定溫度在5℃~30℃范圍內可調。風機轉速選擇開關可手動選擇風機的高、中、低三檔轉速。SV-1為安裝在盤管回水管上的電動兩通閥,由溫控器控制,主要由它來控制盤管的冷熱量輸出。
圖2 典型風機盤管控制系統原理圖
1.2 新風機組的控制方案設計
圖3新風機組DDC控制系統原理圖
新風機組采用集中控制,本方案采用DDC直接數字控制。新風機組DDC控制系統原理如圖3所示,為新風機組的直接數字控制(DDC)系統流程圖。其溫度控制系統由溫度傳感器TE、執行器電動兩通調節閥TV-1及換熱器和新風閥TV-2組成。濕度控制系統由濕度傳感器ME1、加濕電動兩通調節閥TVS、加濕器組成。過濾器報警及風機運行狀態和故障狀態監視系統由過濾器壓差開關PdS、防凍開關TS、風機過流繼電器常開觸頭(事故報警)、風機前后的壓差開關的常開觸點(狀態監視)及DDC輸出繼電器模塊組成。
DDC控制器通過其內置的通訊模塊,可使DDC控制系統進入同層網絡,與其他DDC控制器進行通信,共享數據信息,也可以進入集散式系統,構成分站,完成分站監控任務,同時與中央站通信。
1.3 監控系統的設計方案
現在中央空調計算機監控系統類型較多,本方案采用較成熟的美國尼韋爾公司EXCEL100可編程小型HVAC控制器;該控制器適用于所有HVAC控制應用軟件和樓宇自動化功能的EXCEL5000系統內的DDC控制器。控制器可應用于獨立運行,撥號和網絡系統。適用于小型和中型的建筑物。控制軟件可使用CARE軟件可自由編程,也可用標準的ModAL模塊軟件進行編程。本系統監控計算機使用Windows操作系統,操作界面學生較熟悉,該系統原理如圖4所示。
2基于風機盤管加新風系統的空調系統自動控制實驗室建設方案
本空調系統自控實驗室的EXCEL100可編程小型HVAC控制器系統及其配套傳感器、自控閥門等部件以及相應的編程軟件由外包廠商統一提供,手持式紅外溫度測量儀、手持式風速測量儀等現場測量儀器由學校采購,如果預算不足,可分期分批完成。
對于自控系統在已有的空調設備如風機盤管、新風機組和供回水管道上的安裝調試,應該以在廠家技術支持的條件下由專業教師及實驗員主導完成,這樣便于專業教師及實驗員盡快熟悉控制系統的結構、原理及維護。在安裝調試過程中,應要求廠家提供詳盡的產品技術資料,這一方面是收集實驗實訓的資料,另一方面,也是為了在熟悉、了解現有控制系統的基礎上,為逐步改造、升級控制系統預留空間,以適應制冷專業高職教育的快速發展。
3基于風機盤管加新風系統的空調系統自動控制實驗室設計方案的新特點
(1)本設計方案是基于目前我國*廣泛使用的中央空調系統類型-風機盤管加新風系統。
風機盤管加新風系統仍是目前我國大部分地區中央空調的主導型式,因此基于該系統的自動控制實驗室設計方案可以提供更多、更貼近工作實際的實驗實訓環節,不僅包括風機盤管的水系統控制環節,也包括新風機組的空氣處理、空氣輸送、空氣分配等空氣循環系統自控環節。
(2)本設計方案是基于已有的風機盤管加新風空調系統實驗實訓室的自控系統改造方案。
本方案的實現具有成本低、建設工期短的特點。這種方案對于現有空調實驗室的改造比較適用,可以較大程度上挖掘現有實驗室的潛力。
(3)本設計方案采用了分散式控制系統與傳統機電式控制相結合的方式。
本設計方案新風系統采用可編程小型HVAC控制器,而風機盤管系統則采用了傳統的機電式控制方式,而且風機盤管的機電式控制可以采用不同類型、功能的控制器和執行器,這樣就可以在一個實驗室中展現不同原理、不同功能特點的控制裝置,*大程度上擴大空調系統自動控制實驗室的使用范圍,提高實驗室提供不同類型自控系統實驗試訓的能力。
(4)本設計方案不僅可以提供空調自控系統的硬件安裝、維護能力、熱工測量實訓,同時還能提供一定的自控軟件編程能力實訓。
隨著空調系統自動控制技術的快速發展,僅僅掌握空調自控系統的硬件安裝、維護等技能已不能完全滿足工作崗位要求,還必須具備一定的自動控制軟件編程與軟件維護方面的技能。利用EXCEL100可編程小型HVAC控制器系統所配置的CARE軟件或ModAL模塊軟件可以為學生提供自控制軟件編程與維護的基本訓練,滿足職業技能的更高要求。
4基于風機盤管加新風系統的空調系統自動控制實驗室能實現的教學功能
通過組建一個完整的新風集散式控制系統和獨立的風盤控制系統,在教學實踐中可以實現如下教學功能:
(1)空調控制系統的教學靜態展示。
即計算機控制系統、電子控制系統、電氣控制系統等各類型控制裝置及其各控制零部件的展示。所以在實驗室建設中應適當采購一些控制系統中的主要零部件,如傳感器、風閥、電動電磁閥等,一是用于日常設備的維護,同時也可用來進行教學展示。
(2)空調控制系統的安裝調試。
高職制冷專業畢業生的一個重要就業崗位是·在制冷與空調設備的生產及安裝調試一線,制冷與空調設備的控制系統安裝調試是一項非常重要的工作內容,且需要較高的專業技能。本系統可為學生提供傳感器的測試安裝、控制器的安裝及電氣連接,電磁閥和電動閥的安裝調試等實驗實訓內容。同時通過對完整控制系統各部件的安裝調試,提高學生對各種典型機械式、電氣式、電子式控制系統各部件原理、結構、工作過程的認識與理解,增強學生的實際動手技能,這對于他們畢業后盡快進入工作角色有非常重要的意義。
(3)空調控制系統的故障判斷及排除。
對于畢業后從事制冷與空調設備的售后服務工作的高職制冷專業學生而言,空調控制系統的故障判斷及排除是他們以后職業生涯中一項*重要的工作內容之一,空調控制系統的故障判斷及排除不僅需要專業知識,同時更需要長期的實踐經驗及技能。為此不僅需要完整的空調設備控制系統,同時在還需在實驗實訓環節中安排實際故障診斷與排除環節,通過“實戰練兵”的形式提高學生的實踐經驗與實際技能。
(4)空調控制系統的運行管理。
對于許多在*終用戶的制冷與空調設備運行管理崗位上的高職制冷專業畢業來說,通過空調控,制系統對制冷與空調設備進行運行管理是日常工作之一,科學合理的運行管理時制冷與空調設備高效、節能運行的重要前提,通過對電子控制系統的實驗實訓,可幫助學生提高對電子控制系統的認識與理解,熟悉空調設備電子控制系統的日常運行操作,運行數據采集、儲存、管理與分析,系統故障巡檢,控制程序維護等。
(5)空調系統各參數的測控。
在空調系統的安裝、調試與維護工作中,對溫度、濕度等熱工參數的測量是一項很重要的工作。對于學生而言,不僅制冷與空調系統自身的自動控制系統可以通過相應傳感器自動對這些參數進行測量和存儲,同時學生也應能利用儀器對這些熱工參數進行人工測量,為此學生應熟悉手持式紅外溫度測量儀、手持式風速測量儀、皮托管以及紅外溫度測量儀等常用熱工測量儀器的測量原理、調較以及測量方法,以便于空調系統現場進行快速有效的熱工參數測量及數據分析。
(6)空調計算機控制系統的程序編制及調試。
對于一些學有余力的學生,可以利用CARE軟件在EXCEL100控制系統上自由編程,也可以用標準的MoDAL模塊軟件進行編程,通過軟件編程的練習和上機調試,可以讓學生熟悉空調自控系統常見編程語言,并且通過控制程序的編寫,幫助學生提高對控制系統各部分硬件的認識與理解。

綜上所述,本基于風機盤管加新風系統的空調系統自動控制實驗室設計與建設方案是以霍尼韋爾EXCEL100可編程小型HVAC控制器系統和傳統的機械式、電氣式控制裝置相結合;以自控系統自動控制和利用測量儀器現場測控相結合的方案。該方案是在現有風機盤管加新風空調系統基礎上,以提高高職制冷專業學生空調控制系統安裝、調試與維護能力為目的實施的設計與建設方案,可以很好的滿足工學結合,實踐為主的實驗實訓教學要求。
- 上一篇:整體式空調電氣實訓智能考核裝置
- 下一篇:全空氣中央空調系統綜合實訓考核裝置





