- 電工電子電氣實訓設備
- 電力電子電機實訓裝置
- 過程控制實驗裝置
- 工業機器人智能制造
- 維修電工實訓設備
- PLC自動化實訓設備
- 數控機床實訓考核裝置
- 數控機床機械加工設備
- 機床電氣實訓裝置
- 機電一體化實訓設備
- 機械示教陳列柜
- 機械專業實驗設備
- 傳感器檢測實驗室設備
- 工業互聯人工智能實訓設備
- 特種作業操作實訓考核設備
- 物聯網實驗實訓設備
- 消防、給排水實訓設備
- 網絡布線實訓室設備
- 電梯安裝維修實訓考核設備
- 熱工暖通家電制冷實訓設備
- 樓宇智能化實訓設備
- 環境工程實驗裝置
- 流體力學實驗裝置
- 化工專業實驗實訓設備
- 新能源實驗實訓設備
- 電力供配電實訓設備
- 煤礦礦山實驗實訓設備
- 液壓氣動實驗室設備
- 教學仿真軟件
- 軌道交通實驗實訓設備
- 船舶實訓考核裝置
- 駕駛模擬訓練設備
- 新能源汽車實訓設備
- 汽車發動機底盤實訓臺
- 汽車電器電子實訓臺
- 特種車工程機械實訓設備
- 智能網聯汽車實訓設備
- 醫學教學模型
- 中小學實驗室設備
- 實驗箱.實驗儀
- 光電子通信實驗裝置
- 儀器設備.教學掛圖
- LG-DQ04型 電氣自動化技術考核實訓裝置
- LGKL-735D型 通用電工電子實訓設備(電工電子電氣數
- LG-BZH015型 光纜交接箱工程布線光電展示實訓裝置
- LG-BZH014型 數據中心工程布線光電展示實訓裝置
- LG-BZH013型 光纖熔接實訓設備
- LG-BZH012型 全光網綜合布線實訓平臺
- LG-BZH011型 網絡綜合布線故障模擬與檢測實訓裝置
- LG-BZH010型 網絡綜合布線故障模擬與檢測實訓裝置
- LG-BZH09型 光纜配線端接與測試實訓裝置
- LG-BZH08型 光纜配線端接與測試實訓裝置
- LG-BZH07型 銅纜配線端接與測試實訓裝置
- LG-BZH06型 銅纜配線端接與測試實訓裝置
- LG-DST02型 智能制造單元理實一體化平臺
- LGP-LC01型 PLC實驗臺
- LGY-LY020型 運動控制實訓裝置
- 汽車透明整車模型、運輸車輛模型
- CLG-104型《電機與變壓器》示教陳列柜(CD解說)
- CLG-109《模具》示教陳列柜(CD解說)
- CLG-107型 機械綜合陳列柜
- CLG-102型 《機械零件》示教陳列柜
- LG-DCC型 機械振打袋式除塵實驗裝置
- LG-MFL01型 超濾微濾膜分離實驗裝置
- LG-NKS型 催化劑顆粒內擴散實驗裝置
- LG-CLDF型 多釜串聯實驗裝置
- LG-YY18C型 氣動與PLC實訓裝置(T型鋁槽單面)
- LG-YY18B型 透明液壓傳動與PLC實訓裝置(T型鋁槽單面
- LG-YYCS01型 液壓傳動與控制綜合測試實驗臺
- LG-DY01B型 電液比例綜合實驗臺
- LG-YYZN01型 智能型液壓綜合實驗臺
- LG-DLK01型 電力系統綜合自動化實驗平臺
LG-GDD03型 城市軌道交通列車電氣回路系統教學平臺
品牌:理工偉業 咨詢電話:010-82827827 82827835
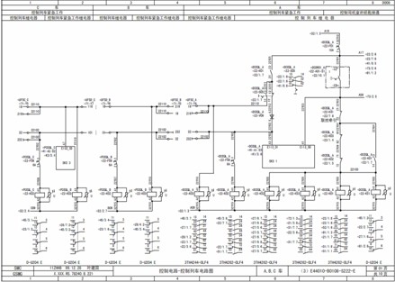
LG-GDD03型 城市軌道交通列車電氣回路系統教學平臺實現了地鐵列車主要電氣回路的電路運行與電路邏輯演示,駕駛室主副控制臺及輔助開關的操作,電氣回路中的故障設置與測試,以及電路控制后的列車動作動畫效果顯示。

城市軌道交通列車電氣回路系統仿真操作演示平臺實物圖片
一、組成及特點
LG-GDD03型 城市軌道交通列車電氣回路系統教學平臺使用真實走線、真實器件及LED流水燈等方式,真實、直觀、動態的呈現出地鐵列車電氣回路的控制邏輯;使用LED點陣顯示屏與列車電氣回路動作關聯,演示列車升降弓、高斷閉合斷開、列車牽引制動、列車前進后退等動畫效果圖;在電路中設置故障開關和電路測試點,可人為切斷電路回路仿真電路故障,通過工具測量、分析后可排除故障。
(一)真實,即平臺中的控制回路是地鐵列車真實的電氣回路,真實的開關旋鈕。
LG-GDD03型 城市軌道交通列車電氣回路系統教學平臺中的控制回路參照列車電氣回路原理圖,使用真實電氣器件及真實連線,完成了一個真實的實驗室列車電氣回路的控制系統。仿真系統涉及的電路是由主要控制和具代表性的26幅電路原理圖組成。
LG-GDD03型 城市軌道交通列車電氣回路系統教學平臺中電氣連接關系是真實的,但是為了適合作為實驗室設備使用,其組成的電氣器件和電氣參數還是做了必要的調整,主要調整如下。
(1)實際電氣回路中的直流110V電壓,仿真系統中調整為直流24V;
(2)實際電氣回路中的各種接觸器、繼電器,仿真系統中均使用線圈電壓為DC24V的小型繼電器代替。
(3)實際電氣回路中的熔斷保護器,仿真系統中使用通斷開關代替。
(4)實際電氣回路中的部分監測單元,仿真系統中由相應電路采集并送往處理單元。
(5)實際電路回路中的電氣開關,仿真系統中使用功能相同的開關器件代替。如鑰匙開關,急停按鈕等等,如下圖所示。

圖1-1 主駕駛控制臺

圖1-2 副駕駛控制臺

圖1-3 回路輔助控制臺
(二)直觀,即平臺上呈現的電路原理圖是由相關教學資源中電路圖為模板,嚴格按照原圖中的比例放大而來。電氣回路由LED燈等間隔排列組成,繼電器、旋鈕、模塊單元也用LED燈表示。如下圖舉例,圖2-1為教材中提供的一張電路原理圖,圖2-2為實驗平臺中的LED燈組成的原理圖。

圖2-1 教材中的原圖

圖2-2平臺中的LED燈組成的原理圖
(三)動態,平臺上由LED組成的原理圖面板會根據當前實際控制回路的動作,動態地反應出電路狀態和邏輯關系,準確的呈現電氣回路中電氣段有無電,繼電器線圈得失電、觸點的斷開閉合及電氣段中電流的走向等狀態。

圖3-1 LED原理圖1顯示效果

圖3-2 LED原理圖2顯示效果
(四)平臺提供一幅長條型LED點陣顯示屏,用來演示列車升降弓、高斷閉合斷開、列車牽引制動、列車前進后退等主要動作動畫。當控制回路中符合升弓控制條件,顯示屏則演示升弓的動畫;當控制回路中符合列車前進牽引的條件,顯示屏則演示列車加速前進的動畫,若列車前行過程中牽引條件丟失,則演示列車制動或緊急制動的動畫。如下圖所示,列車升弓后效果圖。
(五)系統中設計有一個獨立加鎖的開關掛箱和多幅電路測試點面板。掛箱里面設置了幾十個通斷開關,每個通斷開關對應一個故障設置點,開關閉合表示線路通無故障,開關斷開表示線路斷有故障;電路測試點面板中,引出了列車電氣回路中主要繼電器的觸點測試點,可供學生測試觸點通斷或有無電。如下圖所示,圖5-1 測試點面板。

圖5-1 測試點面板
二、系統現場拍攝圖片

圖6-1 學校及地鐵專業人員參觀

圖6-2 實驗平臺正面圖





